咨询

欢迎光临乐思体育(深圳)有限公司

乐思体育(深圳)有限公司

17年专注数控车床加工、自动车床加工CNC加工,车铣复合精密零件

全国咨询热线88888888033400-0755-965

数控车床加工
全国服务热线400-0755-965
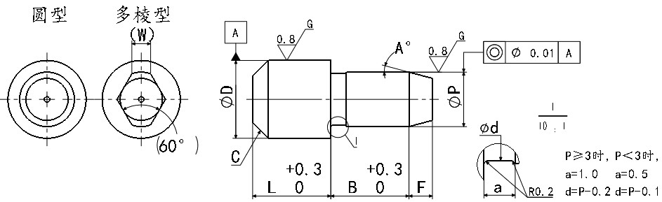
  • 定位销小头锥角型内螺纹型多棱型
  • 1627314648164646.jpg
  • 1627314648461567.jpg

定位销小头锥角型内螺纹型多棱型 类别:数控车床加工

产品简介:

在线咨询咨询热线:400-0755-965

咨询客服,我们快速为您报价,或者提供技术支持!

产品介绍