咨询

欢迎光临乐思体育(深圳)有限公司

乐思体育(深圳)有限公司

17年专注数控车床加工、自动车床加工CNC加工,车铣复合精密零件

全国咨询热线88888888033400-0755-965

轴环
全国服务热线400-0755-965
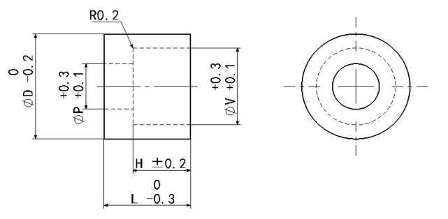
  • 树脂轴环沉孔型尺寸自由指定型
  • 树脂轴环沉孔型尺寸自由指定型9.jpg
  • 树脂轴环沉孔型尺寸自由指定型2.jpg
  • 树脂轴环沉孔型尺寸自由指定型6.jpg

树脂轴环沉孔型尺寸自由指定型 类别:轴环

产品简介:乐思体育专注数控车床加工,自动车床加工CNC加工,车铣复合精密零件,专业生产各类精密零件,涉及车削、冷镦、冲压等领域,集设计、研发、制造、销售为一体。专业稳定的技术、生产和品质团队,为客户提供高难度、新材料,耐腐蚀、耐高温等产品解决方案,实现进口精密零件完美替代,成...

在线咨询咨询热线:400-0755-965

咨询客服,我们快速为您报价,或者提供技术支持!

产品介绍

请按照选型步骤①-⑥选择型式和参数后进行订购。

订货举例:型式(①Type.②D)-③V-④P-⑤H-⑥L

ZSKFW10-V5-P3-H1-L3


尺寸选择型 尺寸自由指定型 相当材质 颜色
ZSKW ZSKFW 聚缩醛 白色
ZSKB ZSKFB 黑色
ZSKY ZSKFY 尼龙(标准型) 米黄
ZSKN ZSKFN 蓝色
ZSKE ZSKFE PEEK 灰色

型号 D V
(指定单位0.5mm)
P
(指定单位0.5mm)
H
(指定单位0.5mm)
L
(指定单位0.5mm)
ZSKFW
ZSKFB
ZSKFY
ZSKFN
ZSKFE
10.0~20
指定单位0.5mm
5.0~55.0
V≤D-2
3.0~53.0
P≤V-2
1.0~48.0
L-H≤Px8
3.0~50.0
21~60
指定单位1mm