咨询

欢迎光临乐思体育精密(深圳)有限公司

乐思体育精密(深圳)有限公司

17年专注数控车床加工、自动车床加工CNC加工,车铣复合精密零件

全国咨询热线88888888033400-0755-965

轴环
全国服务热线400-0755-965
  • 金属轴环普通级尺寸自由指定型
  • 金属轴环普通级尺寸自由指定型0.jpg
  • 金属轴环普通级尺寸自由指定型3.jpg
  • 金属轴环普通级尺寸自由指定型9.jpg

金属轴环普通级尺寸自由指定型 类别:轴环

产品简介:乐思体育专注数控车床加工,自动车床加工CNC加工,车铣复合精密零件,专业生产各类精密零件,涉及车削、冷镦、冲压等领域,集设计、研发、制造、销售为一体。专业稳定的技术、生产和品质团队,为客户提供高难度、新材料,耐腐蚀、耐高温等产品解决方案,实现进口精密零件完美替代,成...

在线咨询咨询热线:400-0755-965

咨询客服,我们快速为您报价,或者提供技术支持!

产品介绍

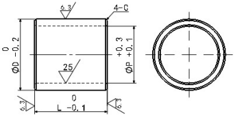
请按照选型步骤①-④选择型式和参数后进行订购。

订货举例:型式①Type-②P-③D-④L

ZJWFTY-P10.5-D19.5-L50.5


型号 材质 表面处理
ZJWFT S45C -
ZJWFTY 四氧化三铁保护膜
ZJWFTN 无电解镀镍
ZJWFS SUS303 -

!加工条件
①.壁厚和全长的加工极限
10.0≤L≤50.0→(D-P)-2≤1
50.1≤L≤100.0→(D-P)-2≤2
②.P和全长的加工极限L≤PX8
型号
P
(P尺寸3以上指定单位0.5mm)
D L C
ZJWFT
ZJWFTY
ZJWFTN
ZJWFS
(选择)
2.0
2.6
 
3.0~90.0
(指定单位0.5mm)
 
(选择)
2.0
2.6
 
3.0~90.0
(指定单位0.5mm)
 
10.0~100
(指定单位0.1mm)
D16.5以下C为0.1~0.2
D16.5以上C为0.5以下