咨询

欢迎光临乐思体育(深圳)有限公司

乐思体育(深圳)有限公司

17年专注数控车床加工、自动车床加工CNC加工,车铣复合精密零件

全国咨询热线88888888033400-0755-965

衬套
全国服务热线400-0755-965
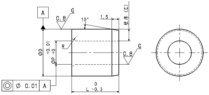
  • 直柱薄壁型自由指定型D尺寸p6
  • 直柱薄壁型自由指定型D尺寸p6d.jpg
  • 直柱薄壁型自由指定型D尺寸p6f.jpg
  • 直柱薄壁型自由指定型D尺寸p67.jpg

直柱薄壁型自由指定型D尺寸p6 类别:衬套

产品简介:乐思体育专注数控车床加工,自动车床加工CNC加工,车铣复合精密零件,专业生产各类精密零件,涉及车削、冷镦、冲压等领域,集设计、研发、制造、销售为一体。专业稳定的技术、生产和品质团队,为客户提供高难度、新材料,耐腐蚀、耐高温等产品解决方案,实现进口精密零件完美替代,成...

在线咨询咨询热线:400-0755-965

咨询客服,我们快速为您报价,或者提供技术支持!

产品介绍

· 请按照选型步骤①-④选择型式和参数后进行订购。

订货举例:型式(①Type.②D)-③P-④L

BAUFMJR7-P4-L6

Type

材质

表面处理

硬度

D尺寸m6

D尺寸p6

BAUFMJR

BAUFPJR

SUJ2

/

58~61HRC

BAUFMJRN

BAUFPJRN

SUJ2

无电解镀镍

58~61HRC

· 

型式

D容差

D容差

P
指定单位0.01mm

L
指定单位0.1mm

壁厚(E)

R

Type

D

D公差(m6)

D公差(p6)

 

7

+0.015
+0.006

+0.024
+0.015

3.51~5.00

5.0~8.0

1.00~1.74

0.5

 

8

4.51~6.00

5.0~13.0

 

9

4.51~6.50

1.25~2.24

 

10

6.51~8.00

5.0~20.0

1.00~1.74

 

11

+0.018
+0.007

+0.029
+0.018

8.00~9.00

1.00~1.50

BAUFMJR

12

8.51~9.00

1.50~1.74

BAUFMJRN

13

8.51~10.00

1.50~2.24

 

14

9.00~11.00

1.50~2.50

 

15

10.51~12.00

5.0~40.0

1.50~2.24

BAUFPJR

17

10.51~13.00

2.00~3.24

1.0

BAUFPJRN

18

12.51~14.00

2.00~2.74

 

20

+0.021
+0.008

+0.035
+0.022

13.51~15.00

2.50~3.24

 

22

13.51~17.00

2.50~4.24

 

25

15.51~19.00

3.00~4.74

 

26

16.51~20.00

 

30

20.51~24.00

1.5

 

35

+0.025
+0.009

+0.042
+0.026

25.01~29.00

5.0~60.0

3.00~4.99

· 
P≤3.59时,L≤PX2.5 P≥3.6时,L≤Px3.0