咨询

欢迎光临乐思体育(深圳)有限公司

乐思体育(深圳)有限公司

17年专注数控车床加工、自动车床加工CNC加工,车铣复合精密零件

全国咨询热线88888888033400-0755-965

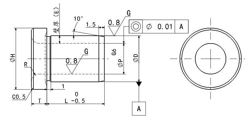
衬套
全国服务热线400-0755-965
  • 带肩标准型D尺寸m6
  • 带肩标准型D尺寸m64.jpg
  • 带肩标准型D尺寸m68.jpg
  • 带肩标准型D尺寸m6b.jpg

带肩标准型D尺寸m6 类别:衬套

产品简介:乐思体育专注数控车床加工,自动车床加工CNC加工,车铣复合精密零件,专业生产各类精密零件,涉及车削、冷镦、冲压等领域,集设计、研发、制造、销售为一体。专业稳定的技术、生产和品质团队,为客户提供高难度、新材料,耐腐蚀、耐高温等产品解决方案,实现进口精密零件完美替代,成...

在线咨询咨询热线:400-0755-965

咨询客服,我们快速为您报价,或者提供技术支持!

产品介绍

请按照选型步骤①-③选择型式和参数后进行订购。

订货举例:型式(①Type.②P)-③L

BSCPKR2-L5

· 

Type

材质

表面处理

硬度

D尺寸p6

D尺寸m6

BSCPKR

BSCMKR

SKS3

/

58-61HRC

· 


 

· 

型式

p公差(G6)

L选择

D

H

壁厚(E)

T

R

D容差

Type

P

D公差(p6)

D公差(m6)

(p6)  
BSCPKR  
(m6)
BSCMKR

2

+0.008
+0.002

 5  6  8  10  12 

5

9

1.5

2.5

0.8

+0.002
+0.012

+0.012
+0.004

3

 5  6  8  10  12 

7

11

2

2.5

0.8

+0.024
+0.015

+0.015
+0.006

4

+0.012
+0.004

 5  6  8  10  12  15  16   20

8

12

2

3

1

5

 5  6  8  10  12  15  16   20

10

14

2.5

3

1

6

 5  6  8  10  12  15  16   20   25

10

14

2

3

1

8

+0.014
+0.005

 5  6  8  10  12  15  16   20   25

12

16

2

4

2

+0.029
+0.018

+0.018
+0.007

10

6  8  10  12  15  16   20   25

15

19

2.5

4

2

12

+0.017
+0.006

8  10  12  15  16   20   25    30

18

22

3

4

2

13

10  12  15  16   20   25   30

22

26

4.5

5

2

+0.035
+0.022

+0.021
+0.008

15

12  15  16   20   25   30

25

30

5

5

2

16

12  15  16   20   25   30

26

30

5

5

2

20

+0.020
+0.007

12  15  16   20   25   30

30

35

5

6

3

25

16   20   25   30   35

35

40

5

6

3

+0.042

+0.025

·