咨询

欢迎光临乐思体育(深圳)有限公司

乐思体育(深圳)有限公司

17年专注数控车床加工、自动车床加工CNC加工,车铣复合精密零件

全国咨询热线88888888033400-0755-965

衬套
全国服务热线400-0755-965
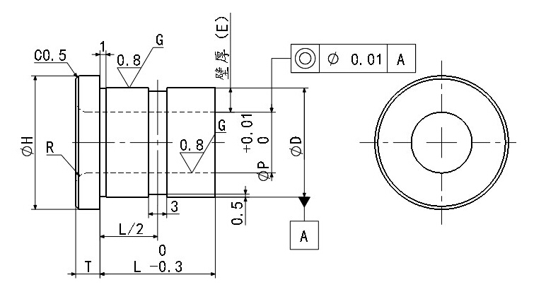
  • 防脱落带肩型D尺寸h6
  • 防脱落带肩型D尺寸h68.jpg
  • 防脱落带肩型D尺寸h622.jpg
  • 防脱落带肩型D尺寸h69.jpg

防脱落带肩型D尺寸h6 类别:衬套

产品简介:乐思体育专注数控车床加工,自动车床加工CNC加工,车铣复合精密零件,专业生产各类精密零件,涉及车削、冷镦、冲压等领域,集设计、研发、制造、销售为一体。专业稳定的技术、生产和品质团队,为客户提供高难度、新材料,耐腐蚀、耐高温等产品解决方案,实现进口精密零件完美替代,成...

在线咨询咨询热线:400-0755-965

咨询客服,我们快速为您报价,或者提供技术支持!

产品介绍

请按照选型步骤①-④选择型式和参数后进行订购。

订货举例:型式(①Type.②D)-③P-④L

BCFKRH8-P4-L8
 
Type 材质 表面处理 硬度
D尺寸p6 D尺寸m6 D尺寸h6
BCFPKR BCFMKR BCFHKR SKS3 / 55~60HRC
BCFPKRN BCFMKRN BCFHKRN SKS3 无电解镀镍 55~60HRC
BCFPCR BCFMCR - SUS440C / 53HRC~
 
型式 D P
指定单位0.01mm
L
指定单位0.1mm
壁厚(E) R H T
Type
D尺寸p6
BCFPKR
BCFPKRN
BCFPCR
D尺寸m6
BCFMKR
BCFMKRN
BCFMCR
D尺寸h6
BCFHKR
BCFHKRN
8 4.00~4.50 8.0~10.0 1.75~2.50 1.0 12 3
10 4.00~6.50 8.0~15.0 1.75~3.00 1.0 14 3
12 6.00~8.50 1.75~3.00 2.0 16 4
15 8.00~10.50 10.0~35.0 2.25~3.50 2.0 19 4
18 10.00~12.50 2.75~4.00 2.0 22 4
20 12.00~13.50 3.25~4.00 2.0 26 5
22 4.25~5.00 2.0 26 5
25 13.00~15.50 4.75~6.00 2.0 30 5
26 15.00~16.50 4.75~5.50 2.0 30 5
30 16.00~20.50 12.0~50.0 4.75~7.00 3.0 35 6
35 20.00~25.00 5.00~7.50 3.0 40 6
!L+T≤Px3.0
 
D D公差
P6 m6 h6
8 +0.024
+0.015
+0.015
+0.006
-0.000
-0.009
10
12 +0.029
+0.018
+0.018
+0.007
-0.000
-0.011
15
16
18 +0.035
+0.022
+0.021
+0.008
-0.000
-0.013
20
22
25
26 +0.042
+0.026
+0.025
+0.009
-0.000
-0.016
30