咨询

欢迎光临乐思体育(深圳)有限公司

乐思体育(深圳)有限公司

17年专注数控车床加工、自动车床加工CNC加工,车铣复合精密零件

全国咨询热线88888888033400-0755-965

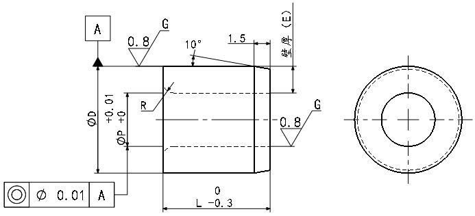
衬套
全国服务热线400-0755-965
  • 直柱标准型自由指定型D尺寸m6
  • 直柱标准型自由指定型D尺寸m68.jpg
  • 直柱标准型自由指定型D尺寸m62.jpg
  • 直柱标准型自由指定型D尺寸m6d.jpg

直柱标准型自由指定型D尺寸m6 类别:衬套

产品简介:乐思体育专注数控车床加工,自动车床加工CNC加工,车铣复合精密零件,专业生产各类精密零件,涉及车削、冷镦、冲压等领域,集设计、研发、制造、销售为一体。专业稳定的技术、生产和品质团队,为客户提供高难度、新材料,耐腐蚀、耐高温等产品解决方案,实现进口精密零件完美替代,成...

在线咨询咨询热线:400-0755-965

咨询客服,我们快速为您报价,或者提供技术支持!

产品介绍

· 请按照选型步骤①-④选择型式和参数后进行订购。

订货举例:型式(①Type.②D)-③P-④L

BACFPKR5-P2-L5

Type

材质

表面处理

硬度

D尺寸P6

D尺寸m6

BACFPKR

BACFMKR

SKS3

/

58~61HRC

BACFPKRN

BACFMKRN

SKS3

 无电解镀镍

58~61HRC

BACFPCR

BACFMCR

SUS440C

/

50~55HRC

BACFPS

BACFMS

SUS303

/

/

· 

型式

D容差

P
指定单位0.01mm

L
指定单位0.1mm

壁厚(E)

R

Type

D

D公差(p6)

D公差(m6)

 

5

+0.02
+0.012

+0.012
+0.004

2.00~2.50

5.0~6.0

1.25~1.50

0.8

 

7

+0.024
+0.015

+0.015
+0.006

2.00~3.50

5.0~8.0

1.75~2.50

BACFPKR

8

3.00~4.50

5.0~13.0

1

BACFPKRN

10

4.00~6.50

5.0~20.0

1.75~3.00

BACFPCR

12

+0.029
+0.018

+0.018
+0.007

6.00~8.50

2.0

BACFPS

15

8.00~10.50

5.0~40.0

2.25~3.50

BACFMKR

18

10.00~12.50

2.75~4.00

BACFMKRN

20

+0.035
+0.022

+0.021
+0.008

12.00~13.50

3.25~4.00

BACFMCR

22

4.25~5.00

BACFMS

25

13.00~15.50

4.75~6.00

 

26

15.00~16.50

4.75~5.50

 

30

16.00~20.50

5.0~60.0

4.75~7.00

3

 

35

+0.042
+0.026

+0.025
+0.009

20.00~25.00

5.00~7.50

· 
P≤3.59时,L≤PX2.5 P≥3.6时,L≤Px3.0  !(D-P)/2≤2时,R为2以下。