咨询

欢迎光临乐思体育(深圳)有限公司

乐思体育(深圳)有限公司

17年专注数控车床加工、自动车床加工CNC加工,车铣复合精密零件

全国咨询热线88888888033400-0755-965

螺丝/螺栓
全国服务热线400-0755-965
  • 通孔螺丝短头内六角型
  • 通孔螺丝短头内六角型3.jpg
  • 通孔螺丝短头内六角型1.jpg
  • 通孔螺丝短头内六角型.jpg

通孔螺丝短头内六角型 类别:螺丝/螺栓

产品简介:乐思体育专注数控车床加工,自动车床加工CNC加工,车铣复合精密零件,专业生产各类精密零件,涉及车削、冷镦、冲压等领域,集设计、研发、制造、销售为一体。专业稳定的技术、生产和品质团队,为客户提供高难度、新材料,耐腐蚀、耐高温等产品解决方案,实现进口精密零件完美替代,成...

在线咨询咨询热线:400-0755-965

咨询客服,我们快速为您报价,或者提供技术支持!

产品介绍

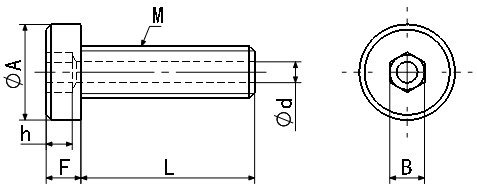
请按照选型步骤①-③选择型式和参数后进行订购。

订货举例:型式(①Type.②M)-③L

          LOCS3-L6


型号 材质 表面处理
LOCS SUS303 /

型式 L选择 A F h(max) B d
型号 M*P
LOCS 3*0.5 6、8、10、12、16 5.5 2 1.5 2 1.2
4*0.7 6、8、10、12、16、20 7 2.8 2.3 2.5 1.5
5*0.8 10、12、16、20、25 8.5 3.5 2.7 3 1.5
6*1.0 10、12、16、20、30 10 4 3 4 2