咨询

欢迎光临乐思体育(深圳)有限公司

乐思体育(深圳)有限公司

17年专注数控车床加工、自动车床加工CNC加工,车铣复合精密零件

全国咨询热线88888888033400-0755-965

螺丝/螺栓
全国服务热线400-0755-965
  • 台阶螺丝自由指定型一字槽型
  • 台阶螺丝自由指定型一字槽型3.jpg
  • 台阶螺丝自由指定型一字槽型1.jpg
  • 台阶螺丝自由指定型一字槽型.jpg

台阶螺丝自由指定型一字槽型 类别:螺丝/螺栓

产品简介:乐思体育专注数控车床加工,自动车床加工CNC加工,车铣复合精密零件,专业生产各类精密零件,涉及车削、冷镦、冲压等领域,集设计、研发、制造、销售为一体。专业稳定的技术、生产和品质团队,为客户提供高难度、新材料,耐腐蚀、耐高温等产品解决方案,实现进口精密零件完美替代,成...

在线咨询咨询热线:400-0755-965

咨询客服,我们快速为您报价,或者提供技术支持!

产品介绍

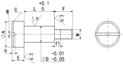
请按照选型步骤①-⑥选择型式和参数后进行订购。

订货举例:型式(①Type.②D)-③L-④A-⑤E-⑥F

                             L
CFAS4-L6-A8-E4-F3

一字槽 材质 表面处理
LCFATY S45C 四氧化三铁保护膜
LCFAS SUS303 /

D L 指定单位0.1mm E 指定单位0.1mm F 指定单位1mm
4   5.0~20.0 6    8 2.0~4.0 3~4
5 8    10 3~5
6 10   12 2.5~4.5 4~8
8 12   16 5~10
10 16   18    20 3.0~5.0 6~12
12 18   20    22     24 8~12