咨询

欢迎光临乐思体育(深圳)有限公司

乐思体育(深圳)有限公司

17年专注数控车床加工、自动车床加工CNC加工,车铣复合精密零件

全国咨询热线88888888033400-0755-965

螺丝/螺栓
全国服务热线400-0755-965
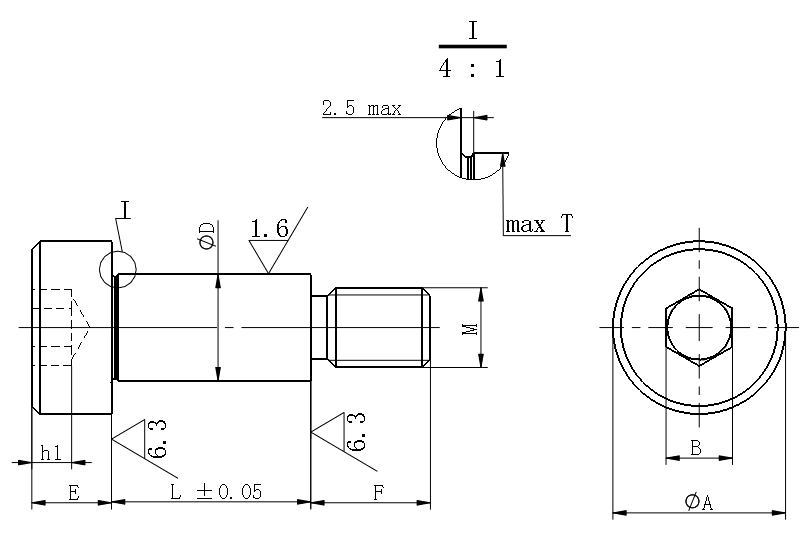
  • 等高螺丝轴经公差h7自由指定型
  • 等高螺丝轴经公差h7自由指定型2.jpg
  • 等高螺丝轴经公差h7自由指定型1.jpg
  • 等高螺丝轴经公差h7自由指定型.jpg

等高螺丝轴经公差h7自由指定型 类别:螺丝/螺栓

产品简介:乐思体育专注数控车床加工,自动车床加工CNC加工,车铣复合精密零件,专业生产各类精密零件,涉及车削、冷镦、冲压等领域,集设计、研发、制造、销售为一体。专业稳定的技术、生产和品质团队,为客户提供高难度、新材料,耐腐蚀、耐高温等产品解决方案,实现进口精密零件完美替代,成...

在线咨询咨询热线:400-0755-965

咨询客服,我们快速为您报价,或者提供技术支持!

产品介绍

请按照选型步骤①-⑤选择型式和参数后进行订购。

订货举例:型式(①Type.②D)-③L

                   标准型  LDGGR4-L10

订货举例:型式(①Type.②D)-③L-④F-⑤M

                   自由指定型 LDFGGR4-L10-F5-M3


  Type D公差 相当材质 硬度 强度分类
标准型 DGG g6 SCM435 33~38HRC 10.9
自由指定型 DFGG
自由指定型 DFGS 相当于SUS304 / A2-50
自由指定型 DFHG h7 SCM435 33~38HRC 10.9
自由指定型 DFHS 相当于SUS304 / A2-50



D L指定单位0.1mm F指定单位0.5mm M粗牙螺纹
4 10—40 3~8 3  4
4.5 3~8    3  4   
5 4~10    3  4  5
5.5 4~10    3  4  5
6 5~12            4  5  6
6.5 5~12            4  5  6
8 6~16                    5  6  8
10 8~20                              6  8  10